Nabízíme OEM a zakázkový vývoj pokročilých elektronických komponent pro externí partnery. Opíráme se o naše dlouhodobé know-how, zkušený tým inženýrů a vlastní testovací kapacity, které nám umožňují realizovat projekty i mimo rámec našeho vlastního produktového portfolia.
Zajišťujeme kompletní vývojový proces – od počátečního konceptu a návrhu přes prototypování až po validaci a finální optimalizaci. Výsledná řešení navrhujeme tak, aby splňovala jak technické požadavky zákazníka, tak příslušné regulační a technické normy.
Od roku 2005 vyvíjíme elektronické systémy pro naše vlastní zařízení určená pro snímání obrazů v kriminalistických laboratořích. Díky těmto dlouholetým zkušenostem disponujeme rozsáhlým know-how v oblasti návrhu spolehlivé a vysoce výkonné elektroniky pro náročné profesionální aplikace.
V roce 2024 se naše vývojové a výrobní týmy přesunuly do nových moderních prostor. Nové zázemí nabízí kompletní infrastrukturu včetně testovacích laboratoří, specializovaného technického vybavení a plně bezodrazové EMC komory. Díky tomu jsme schopni realizovat komplexní vývojové projekty na klíč.
Naše služby jsou určeny zejména klientům v České republice a ve střední Evropě a zahrnují:
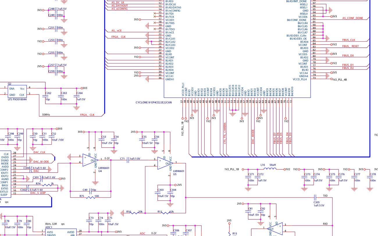
Kompletní návrh, prototypování i montáž desek plošných spojů, včetně vysokofrekvenční (GHz) elektroniky.
Měření parametrů desek plošných spojů a ověřování elektromagnetické kompatibility ve vlastní plně bezodrazové EMC komoře (100 MHz – 18 GHz).
Optimalizace elektronických návrhů s cílem dosáhnout maximálního elektrického výkonu a splnění EMC požadavků.
Automatizované ověřování funkčnosti a zátěžové testování pro zajištění spolehlivosti produktu před expedicí.
Zakázkové programování nízkoúrovňového firmwaru a jeho optimalizace.
Vývoj a optimalizace řídicího a aplikačního softwaru.
Výroba menších mechanických součástí pomocí 3D tisku pro montáž elektronických systémů a prototypování.
Kryty, nosné díly a přístrojové sestavy. Zajišťujeme návrh a výkresovou dokumentaci v CAD i kompletní výrobu včetně povrchových úprav a montáže.
-
desky plošných spojů (RF, Cu, Al)
-
FPGA platformy Cyclone a PolarFire (zpracování obrazu z kamer, řízení motorů, 3D LED osvětlení, optických clon, detekčních systémů a napájecích zdrojů)
-
programovací jazyky C, C++, VHDL, PHP
-
firmware a ovladače na úrovni hardware i software
-
vlastní multiprocesorová architektura OneBus s vlastním řídícím systémem.
-
procesory 32-bit ARM
Kontaktujte nás pro konzultaci ohledně vašeho projektu.






